Archivo del sitio
La relevancia de conocer las especificaciones de los Gases Refrigerantes
Cuando hablamos de tipos de refrigerante tenemos que hablar también de la enorme variedad de equipos según su función, ya sea de conservación, confort, refrigeración, congelación e inclusive criogénicos. El tipo de refrigerante depende en gran medida de su aplicación final.
Los refrigerantes deben cumplir estrictos estándares de calidad los cuales se hallan establecidos en la norma ‘AHRI 700-2012’ que se refiere de manera precisa a las especificaciones con que deben cumplir los Refrigerantes Fluorocarbonados (Specification for Fluorocarbon Refrigerants).
Para conocer las especificaciones de los gases refrigerantes estos se someten a pruebas mediante un equipo llamado cromatógrafo, que nos indica las condiciones generales del gas refrigerante previo a ser envasado para su comercialización.
Las siguientes cinco características son las más comúnmente verificadas en laboratorios de acuerdo al programa de certificación de Refrigerantes:
- Humedad (ppm en peso).
- Acidez (ppm en peso).
- Residuo de alto punto de ebullición (% en volumen).
- No condensables (% en volumen).
- Impurezas volátiles, incluyendo otros refrigerantes (% en volumen).
Esto datos pudiesen ser más extensos y exhaustivos pero, como ya lo mencionábamos anteriormente, los análisis enlistados previamente son los más significativos al momento de reconocer las condiciones de calidad otorgadas por el fabricante de gases refrigerantes.
En el caso de las mezclas de gases refrigerantes, estas también deben ser sometidas a las pruebas anteriores y cumplir con el estándar para el tipo de mezcla refrigerante que la AHRI 700-2012 dictamine. Algunos ejemplos de los refrigerantes catalogados como mezclas son el R 404A, el R 410A, el R 507A, o inclusive el R 438a, entre otros tantos.
Es de suma importancia que verifiquemos que los refrigerantes que manejamos provengan de un fabricante serio que cumpla con los parámetros de certificación aceptables para cada gas refrigerante, ya sea puro o mezcla. Es cada vez más común encontrar en el mercado refrigerantes de dudosa procedencia, la mayoría de las veces el signo distintivo de estos es precisamente no brindar información ni del fabricante, sus métodos de contacto, ni de sus estándares de calidad en cuanto a humedad, acidez, porcentaje de residuos, elementos no condensables o grado de impurezas volátiles.
Al momento de hablar de estándares de calidad no sólo estamos arriesgando los equipos de los clientes, ¡estamos poniendo en juego nuestra reputación como profesionales!
La próxima vez que estés tentado a recurrir a un refrigerante apócrifo o “patito”, recuerda que cada equipo está diseñado con especificaciones de presión y temperatura específicas al estándar oficial de cada refrigerante; y que si el refrigerante no cumple con estos estándares mínimos de calidad lo más seguro es que estarás arriesgando el funcionamiento de los equipos y la calidad de tu trabajo.
Si tienes comentarios al respecto de la publicación o si te parece útil te agradecemos que nos comentes en este tu Blog, en nuestra página de Facebook o en la cuenta de Twitter que en Quimobásicos ponemos a tu disposición.
¿Tienes dudas adicionales y que no hayamos resuelto en este artículo? Por favor deja un comentario con la duda al final de la publicación, o si gustas puedes contactarnos en nuestras redes sociales de Facebook, Twitter o YouTube.
En Quimobásicos nos interesa mucho saber tu opinión sobre nuestras publicaciones, ya que con ello nos ayudas a mejorar continuamente. No dudes en dejarnos tu comentario, crítica o sugerencia que tengas sobre la empresa, los productos Genetron o sobre nuestros contenidos.
La relevancia de conocer las especificaciones de los Gases Refrigerantes
Cuando hablamos de tipos de refrigerante tenemos que hablar también de la enorme variedad de equipos según su función, ya sea de conservación, confort, refrigeración, congelación e inclusive criogénicos. El tipo de refrigerante depende en gran medida de su aplicación final.
Los refrigerantes deben cumplir estrictos estándares de calidad los cuales se hallan establecidos en la norma ‘AHRI 700-2012’ que se refiere de manera precisa a las especificaciones con que deben cumplir los Refrigerantes Fluorocarbonados (Specification for Fluorocarbon Refrigerants).
Para conocer las especificaciones de los gases refrigerantes estos se someten a pruebas mediante un equipo llamado cromatógrafo, que nos indica las condiciones generales del gas refrigerante previo a ser envasado para su comercialización.
Las siguientes cinco características son las más comúnmente verificadas en laboratorios de acuerdo al programa de certificación de Refrigerantes:
- Humedad (ppm en peso).
- Acidez (ppm en peso).
- Residuo de alto punto de ebullición (% en volumen).
- No condensables (% en volumen).
- Impurezas volátiles, incluyendo otros refrigerantes (% en volumen).
Esto datos pudiesen ser más extensos y exhaustivos pero, como ya lo mencionábamos anteriormente, los análisis enlistados previamente son los más significativos al momento de reconocer las condiciones de calidad otorgadas por el fabricante de gases refrigerantes.
En el caso de las mezclas de gases refrigerantes, estas también deben ser sometidas a las pruebas anteriores y cumplir con el estándar para el tipo de mezcla refrigerante que la AHRI 700-2012 dictamine. Algunos ejemplos de los refrigerantes catalogados como mezclas son el R 404A, el R 410A, el R 507A, o inclusive el R 438a, entre otros tantos.
Es de suma importancia que verifiquemos que los refrigerantes que manejamos provengan de un fabricante serio que cumpla con los parámetros de certificación aceptables para cada gas refrigerante, ya sea puro o mezcla. Es cada vez más común encontrar en el mercado refrigerantes de dudosa procedencia, la mayoría de las veces el signo distintivo de estos es precisamente no brindar información ni del fabricante, sus métodos de contacto, ni de sus estándares de calidad en cuanto a humedad, acidez, porcentaje de residuos, elementos no condensables o grado de impurezas volátiles.
Al momento de hablar de estándares de calidad no sólo estamos arriesgando los equipos de los clientes, ¡estamos poniendo en juego nuestra reputación como profesionales!
La próxima vez que estés tentado a recurrir a un refrigerante apócrifo o “patito”, recuerda que cada equipo está diseñado con especificaciones de presión y temperatura específicas al estándar oficial de cada refrigerante; y que si el refrigerante no cumple con estos estándares mínimos de calidad lo más seguro es que estarás arriesgando el funcionamiento de los equipos y la calidad de tu trabajo.
Si tienes comentarios al respecto de la publicación o si te parece útil te agradecemos que nos comentes en este tu Blog, en nuestra página de Facebook o en la cuenta de Twitter que en Quimobásicos ponemos a tu disposición.
¿Tienes dudas adicionales y que no hayamos resuelto en este artículo? Por favor deja un comentario con la duda al final de la publicación, o si gustas puedes contactarnos en nuestras redes sociales de Facebook, Twitter o YouTube.
En Quimobásicos nos interesa mucho saber tu opinión sobre nuestras publicaciones, ya que con ello nos ayudas a mejorar continuamente. No dudes en dejarnos tu comentario, crítica o sugerencia que tengas sobre la empresa, los productos Genetron o sobre nuestros contenidos.
La relevancia de conocer las especificaciones de los Gases Refrigerantes
Cuando hablamos de tipos de refrigerante tenemos que hablar también de la enorme variedad de equipos según su función, ya sea de conservación, confort, refrigeración, congelación e inclusive criogénicos. El tipo de refrigerante depende en gran medida de su aplicación final.
Los refrigerantes deben cumplir estrictos estándares de calidad los cuales se hallan establecidos en la norma ‘AHRI 700-2012’ que se refiere de manera precisa a las especificaciones con que deben cumplir los Refrigerantes Fluorocarbonados (Specification for Fluorocarbon Refrigerants).
Para conocer las especificaciones de los gases refrigerantes estos se someten a pruebas mediante un equipo llamado cromatógrafo, que nos indica las condiciones generales del gas refrigerante previo a ser envasado para su comercialización.
Las siguientes cinco características son las más comúnmente verificadas en laboratorios de acuerdo al programa de certificación de Refrigerantes:
- Humedad (ppm en peso).
- Acidez (ppm en peso).
- Residuo de alto punto de ebullición (% en volumen).
- No condensables (% en volumen).
- Impurezas volátiles, incluyendo otros refrigerantes (% en volumen).
Esto datos pudiesen ser más extensos y exhaustivos pero, como ya lo mencionábamos anteriormente, los análisis enlistados previamente son los más significativos al momento de reconocer las condiciones de calidad otorgadas por el fabricante de gases refrigerantes.
En el caso de las mezclas de gases refrigerantes, estas también deben ser sometidas a las pruebas anteriores y cumplir con el estándar para el tipo de mezcla refrigerante que la AHRI 700-2012 dictamine. Algunos ejemplos de los refrigerantes catalogados como mezclas son el R 404A, el R 410A, el R 507A, o inclusive el R 438a, entre otros tantos.
Es de suma importancia que verifiquemos que los refrigerantes que manejamos provengan de un fabricante serio que cumpla con los parámetros de certificación aceptables para cada gas refrigerante, ya sea puro o mezcla. Es cada vez más común encontrar en el mercado refrigerantes de dudosa procedencia, la mayoría de las veces el signo distintivo de estos es precisamente no brindar información ni del fabricante, sus métodos de contacto, ni de sus estándares de calidad en cuanto a humedad, acidez, porcentaje de residuos, elementos no condensables o grado de impurezas volátiles.
Al momento de hablar de estándares de calidad no sólo estamos arriesgando los equipos de los clientes, ¡estamos poniendo en juego nuestra reputación como profesionales!
La próxima vez que estés tentado a recurrir a un refrigerante apócrifo o “patito”, recuerda que cada equipo está diseñado con especificaciones de presión y temperatura específicas al estándar oficial de cada refrigerante; y que si el refrigerante no cumple con estos estándares mínimos de calidad lo más seguro es que estarás arriesgando el funcionamiento de los equipos y la calidad de tu trabajo.
Si tienes comentarios al respecto de la publicación o si te parece útil te agradecemos que nos comentes en este tu Blog, en nuestra página de Facebook o en la cuenta de Twitter que en Quimobásicos ponemos a tu disposición.
¿Tienes dudas adicionales y que no hayamos resuelto en este artículo? Por favor deja un comentario con la duda al final de la publicación, o si gustas puedes contactarnos en nuestras redes sociales de Facebook, Twitter o YouTube.
En Quimobásicos nos interesa mucho saber tu opinión sobre nuestras publicaciones, ya que con ello nos ayudas a mejorar continuamente. No dudes en dejarnos tu comentario, crítica o sugerencia que tengas sobre la empresa, los productos Genetron o sobre nuestros contenidos.
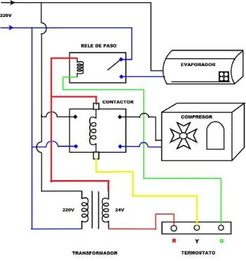
Importancia de los diagramas en los Sistemas de Refrigeración y Aire Acondicionado.
Cuando de mantenimiento o reparaciones en equipos de refrigeración o aire acondicionado hablamos, existen varios tipos de eventos que podemos identificar. Principalmente podemos hablar en esta ocasión de 2 tipos de ellos; Las fallas mecánicas y/o de control o eléctricas.
Un ejemplo de fallas mecánicas pueden ser; El plato de válvulas dañado, compresor con válvulas rotas, válvula de expansión obstruida, filtro deshidratador saturado, condensador o evaporador serpentín sucio, etc. Que normalmente dominamos en la industria de la refrigeración… Pero no debemos dejar atrás las fallas de control y/o eléctricas que cada día son mas relevantes en estos sistemas de refrigeración.
Los técnicos, además tener los conocimientos sobre los fundamentos de refrigeración, también deben saber leer un diagrama eléctrico o circuito de control, que hoy por hoy son muy importantes en el funcionamiento de estos equipos. Los fabricantes normalmente, nos indican en un solo diagrama o esquemático, como se encuentra el cableado y que circuito se debe completar para que nuestros sistema funcione correctamente, los cuales son representados en líneas, diagramas y dibujos.
Los diagramas los podemos encontrar con símbolos y líneas, que en algunos casos se codifican con colores que Lee el resto de esta entrada
Conferencia de Nuevas Tecnologías

En Quimobásicos queremos que el conocimiento y el mejoramiento de las técnicas de manejo e instalación de los gases refrigerantes estén al alcance de todos los interesados, es por eso que este miércoles 9 de marzo tendrá lugar la plática “Sustitutos del R-22, carga del R-410A y uso de R 422D” .
La cita será de las 16:00 a las 20:00 hrs y se llevará acabo dentro de las instalaciones del Corporativo Matriz Cuevas, ubicado en la calle Nicolás Bravo #273, Col. Centro, en Mexicali B.C.
Las herramientas para mejorar están más cerca de ti, no te quedes sin ellas, ¡te esperamos!





