Archivo del sitio
¿Sabías qué una mala instalación puede ser la culpable del bajo rendimiento de tu aire acondicionado? Ponte al día con nosotros.

¿Bajo rendimiento? La eficiencia energética de los equipos HVAC sufre debido a malas instalaciones.
La demanda cada vez mayor por aires acondicionados y bombas de calor eficientes apunta un recorte récord de aproximadamente 30% en el uso de energía residencial eléctrica utilizada para refrigeración y calefacción.
Lo que pocos saben es que estos beneficios que se buscan mediante una mejora en eficiencia energética de equipos de tecnología avanzada pueden ser nulos si el equipo no es instalado adecuadamente.
En un estudio del Instituto Nacional de Estándares y Tecnología (NIST, por sus siglas en inglés) esa fue la conclusión final. El reporte del estudio de NIST es el primero de su tipo enfocado en cuantificar perdidas de eficiencia causadas por errores de instalación documentados en estudios de campo.
“Nuestras medidas indican que una mala instalación puede aumentar el uso de energía en el hogar para refrigeración y calefacción a más del 30% de lo que debería de ser”, dijo Piotr Domanski, quien dirige el estudio del rendimiento en HVAC del NIST.

El Ingeniero Domanski, Hugh Henderson de CDH Energy Corp., y el ingeniero mecánico del NIST, Vance Payne realizaron su estudio de medición y modelado de información durante tres años de duración de acuerdo a las inspecciones y otras evidencias de campo que indicaban que, un equipo HVAC “típicamente instalado” podría desperdiciar una cantidad considerable de energía.
Los errores de instalación –o fallas- comúnmente reportados incluyen conductos con fugas, una incorrecta carga de refrigerante, sobredimensionamiento de los sistemas y un flujo de aire restringido.
En encuestas realizadas, la mayoría de los equipos para aire acondicionado evaluados que obtuvieron niveles de una baja eficiencia tenían por lo menos uno o más errores de instalación. “Fue muy común encontrar baja eficiencia en equipos de aire acondicionado, bombas de calor, y equipos relacionados”, explica el Ingeniero Domanski.
“En la mayoría de estudios no se contabilizó aumento de consumo energético como resultado de alguna falla particular o varias fallas, las cuales son difíciles de hacer en el campo”.
Bajo condiciones ambientales controladas, el equipo describió el rendimiento de una bomba de calor mientras operaba con alguno de los siete errores más comunes de instalación. Después de determinar qué tanto afectaba el consumo de energía cada error en el laboratorio, se investigó cómo los mismos errores puedan impactar el uso de energía en dos tipos de casas -uno con sótano, la otra construida sobre un bloque de concreto – y en cinco zonas climáticas diferentes. Esta parte del análisis fue conducido con una herramienta de simulación creada por CDH Energy Corp.
Los errores más comunes se concentraron en FUGAS EN DUCTOS DE AIRE, mientras que el segundo error más significante que causaba incrementos del uso de energía se dividió en CARGA BAJA DE REFRIGERANTE e INCORRECTO FLUJO DE AIRE en casa (debido a una mala instalación de ductos de aire).

Consulta tus dudas con los expertos de Quimobásicos al correo: andres.flores@cydsa.com
Otros hallazgos del estudio fueron:
- En seis de las siete fallas estudiadas, los incrementos asociados en el consumo de energía son similares para las casas con cimientos sólidos y las que tienen sótano. Sin embargo los conductos de aire con fugas instalados en un espacio no acondicionado del ático pueden causar el mayor incremento en el consumo de energía en las casas con cimientos sólidos.
- En los climas cálidos y húmedos las fugas en conductos incrementan substancialmente la humedad interior relativa, lo que afecta el grado de confort y por ende la comodidad de las personas.
- Como consecuencia de lo anterior los ocupantes o usuarios por lo general le bajarán al termostato para compensar esto, lo que incrementa significativamente el consumo de energía. Con algunas excepciones, las fallas simultáneas tienen efectos aditivos en el consumo de energía.
Para Concluir: El correcto dimensionamiento, selección, e instalación de los equipos HVAC de acuerdo a los procedimientos reconocidos por la industria y siguiendo los manuales de los fabricantes de equipos es fundamental para garantizar la eficiencia energética (ahorro de energía).
El informe del NIST constituye la contribución de los Estados Unidos al recientemente finalizado Anexo 36 de Análisis de Sensibilidad del Mantenimiento de Calidad/Instalación de Calidad de la Agencia Internacional de Energía, y es el primero de su tipo en cuantificar los efectos de una instalación incorrecta.
El informe mencionado sirvió como base científica para establecer los requisitos del reglamento de capacitación para los instaladores de equipos de nuestro vecino país del norte.
Y tu amigo lector, ¿que opinas? esperamos tu contribución y opinión en las dos preguntas de la semana:
- ¿Estás de acuerdo con que las instalaciones defectuosas afectan la eficiencia?,
- ¿Te parece adecuado el nivel de profesionalización dentro del mundo HVACR?
No olvide que los Refrigerantes® comercializados por Quimobásicos pueden ayudarle en la transición hacia un futuro con bajas emisiones de carbón, en impulsar la mejora de la eficiencia energética, y en general para lograr mejores resultados.
Si tienes comentarios al respecto de la publicación o si te parece útil te agradecemos que nos comentes en este tu Blog, en nuestra página de Facebook o en la cuenta de Twitter que en Quimobásicos ponemos a tu disposición para comunicación directa, también puedes consultar con el Distribuidor Oficial más cercano a ti dando clic aquí.
¿Tienes dudas adicionales y que no hayamos resuelto en este artículo? Por favor deja un comentario con la duda al final de la publicación, o si gustas puedes contactarnos en nuestras redes sociales de Facebook, Twitter o YouTube.
Y tú, ¿sabes cómo reemplazar un capacitor?

¿Qué es un Condensador (Capacitor)?

Capacitor de Arranque
Un condensador, coloquialmente conocido como capacitor, es un dispositivo eléctrico que, en su forma más básica, está compuesto por dos placas conductoras separadas por un material dieléctrico o por vacío, conectadas a una fuente de corriente directa que genera una diferencia de potencial positiva en una placa y negativa en la otra, anulando la variación de la carga total.

Capacitor Permanente
Gracias a su estructura, los condensadores son capaces de almacenar los electrones, dentro un campo eléctrico, necesarios para abastecer en su totalidad los picos de energía consumidos por los componentes del sistema de refrigeración (principalmente el motor). Se puede decir que los capacitores dan el impulso extra al motor para que comience a funcionar (condensador de arranque) o para evitar problemas de calentamiento (condensador permanente).
En los sistemas de refrigeración suelen utilizarse dos tipos de capacitores: Los de arranque y los permanentes. A diferencia del capacitor de arranque que se utiliza vencer la fuerza opositora que se genera al arrancar, la función del capacitor permanente es reforzar al motor, mejorar el factor de potencia, reducir el consumo de corriente y, en consecuencia, disminuir la temperatura del motor. Los permanentes están diseñados para trabajar continuamente siempre que el motor esté encendido.

Equipo de Seguridad
Para diferenciar uno del otro podemos revisar la capacidad en microfaradios de cada uno. Los de arranque suelen tener valores mucho más altos que los permanentes. Otra forma de diferenciarlos es a través del color; los de arranque vienen en cilindros de color negro, mientras que los permanentes son de color blanco o gris claro.
El mal funcionamiento de los capacitores es uno de los problemas más comunes que ocurren a los sistemas de refrigeración, para ello vamos a dar algunos consejos, enfocados para técnicos primerizos, que les pueden ayudar a determinar si un necesita ser reemplazado o no.
¿Cómo reemplazar un capacitor?
Antes que nada, sugerimos revisar el manual del fabricante del equipos y en caso de que no seas experto en la materia, consultes con un técnico especializado quien deberá asesorarte en cuanto al procedimiento de la mejor manera.
El proceso es muy sencillo, para ello requerirás la siguiente herramienta:
- Dos destornilladores
- Un medidor de volts y ohms analógico
Adicionalmente te recordamos que deberás seguir las siguientes reglas de seguridad si decides seguir esta recomendación:
- Usa anteojos de seguridad cuando trabajes con el condensador para garantizar tu seguridad.
- Se cuidadoso cuando trabajes con piezas de alta tensión, como es el caso de un capacitor de arranque.
Procedimiento:
- Para evitar accidentes, debes desconectar todos los cables eléctricos que estén conectados al motor.
- Se deben retirar los dos tornillos de la pieza que cubre el condensador de arranque, posteriormente deberás tocar las dos terminales de metal del condensador al mismo tiempo con un destornillador de mango aislado. Con esto te asegurarás de que el condensador no haya quedado cargado.
- Después de ajustar el medidor analógico a ohms, conecta las dos extensiones del medidor juntas, y coloca en cero el medidor moviendo la rueda.
- Toca con la extensión positiva el terminal de metal negativo del condensador y con la extensión negativa el positivo. Observarás que la aguja del medidor reaccionará. Un condensador en buen estado supera el metro y luego marca resistencia infinita, si el condensador se encuentra en malas condiciones se quedará en el lado opuesto, es decir que no producirá una lectura infinita.
- Por último, tienes que verificar si hay signos de desgaste físico como protuberancias o fugas. Y en caso necesario deberás de reemplazarlo.
Si tienes comentarios al respecto de esta publicación o si te ha parecido útil te agradecemos que la compartas o que nos comentes en este tu Blog; puedes también consultar a nuestros expertos por correo electrónico al email asesor.quimobasicos@cydsa.com o si lo prefieres también puedes consultarnos en las redes sociales oficiales de Quimobásicos: Facebook, Twitter, o Google+; también acercarte a nosotros a través de la sección de contacto en nuestra renovada página web.
Genetron 407 C: El mejor sustituto del R-22 en Aire Acondicionado residencial

Genetron 407 C: El mejor sustituto del R-22 en Aire Acondicionado residencial
El Genetron® 407C es una mezcla ternaria de HFC-32/HFC-125/HFC-134a, el cual recibió por parte del estándar ASHRAE-34 la asignación del nombre de Refrigerante 407C.
Este refrigerante hace la función de reemplazo del R-22 sin perjudicar la capa de ozono, y constituye el mejor sustituto para sistemas que operan con Refrigerante 22 (HCFC-22) en diversas aplicaciones de aire acondicionado estacionario tales como: Mini Split, unidad de paquete, unidades divididas, bombas de calor, enfriadores de agua, y para los sectores de Residencial, Comercial e Industrial.
Consideraciones relativas al mantenimiento Genetron® 407C
El 407C es un producto que se puede utilizar para reconvertir con éxito sistemas que contengan Refrigerante 22 existentes. A diferencia de los uidos puros y los azeótropos, las mezclas alcanzan la ebullición y la condensación a temperaturas diferentes para distintas presiones. La variación de esas temperaturas se denomina deslizamiento de temperatura. El Genetron® 407C tiene deslizamientos de temperatura moderadamente, entre 5 y 7 °C en función de la presión. Por otra parte, los técnicos deben utilizar un dispositivo estrangulador (válvula de paso) para evitar que cuando el sistema esté operando llegue líquido al compresor y que se produzcan daños en el mismo.
Uno correrá muy rápido y luego se detendrá a descansar y luego seguirá corriendo antes de detenerse a descansar de nuevo y repetirá esto unas cuantas veces mientras que la otra persona correrá un poco más lento pero nunca se detendrá a descansar, manteniendo siempre una velocidad constante. Al final, de los 2 corredores, el primero se sentirá más cansado que el segundo, ya que la persona utiliza más energía para iniciar a correr repetidamente.
Lo mismo ocurre con los motores que no cuentan con inverter. Al estar prendiendo el motor repetidamente, se gasta más energía, generando un mayor consumo de electricidad.
Los aceites que comúnmente operan con refrigerantes *HCFC (R22) son aceites alquilbencenos los cuales NO son compatibles con refrigerantes libres de cloro como son todos los **HFC, como el Genetron® 407C, por este motivo es necesario de extraer el 95% de lubricante aquilbenceno y sustituirlo por lubricante Polioléster.
*Hidro-Cloro-Fluoro-Carbono.
**Hidro-Fluoro-Carbono.
El mejor sustituto de sistemas que operan con R 22
TABLA DE SATURACIÓN R407C.

El Genetron® 407C se puede utilizar como sustituto de sistemas que contengan R 22, pero debes recordar que estas condiciones antes descritas operan para enfriadores de desplazamiento positivo sin intercambiadores de calor inundados. Como el Genetron® 407C es una mezcla con deslizamiento de temperatura, no es recomendable utilizarlo en enfriadores con evaporador inundado.
¿Por qué decimos que es el mejor sustituto?
El Genetron® 407C mantiene un mejor punto de ebullición de – 45.5°F a diferencia del R22 que es de – 41.5 °F con un peso molecular para el Genetron 407C de 86.2 y refrigerante 22 de 86.5 mantienen muy similar sus propiedades físicas por lo cual podrá operar SIN NECESIDAD DE HACER CAMBIOS de sistemas que operan con VXT ó Capilar.
Si quieres conocer más sobre este producto, te dejamos el enlace a donde podrás encontrar su ficha técnica, hoja de seguridad y las especificaciones generales y particulares del Genetron® 407C, sólo da ¡CLICK AQUÍ!
¿Tienes alguna duda adicional que no hayamos resuelto en esta publicación? Escríbela por favor en los comentarios al Final de esta publicación, o si lo prefieres contáctenos en nuestro Facebook, Twitter, Google Plus o canal de YouTube.
En Quimobásicos nos interesa mucho tu opinión, ya que nos ayuda a brindarte un mejor servicio, por favor no dudes en hacernos saber cualquier comentario, critica o sugerencia que tengas sobre la empresa, los productos de nuestras marcas Solstice® y Genetron®, o el blog mismo.
Referencias:
Haz clic para acceder a forane-R407C-technical-data.pdf
Haz clic para acceder a no-oil-change-r22-replacements-for-ac.pdf
IMPORTANCIA DE LOS DIAGRAMAS EN LOS SISTEMAS DE REFRIGERACIÓN Y AIRE ACONDICIONADO
Cuando nos referimos al mantenimiento o reparaciones en algunos equipos de refrigeración o aire acondicionado, existen varias situaciones con las que nos podemos encontrar. En esta publicación vamos a hablar de 2 muy comunes: las fallas mecánicas y las fallas de control/eléctricas.
Las fallas mecánicas incluyen, entre otras tantas: que el plato de válvulas este dañado, compresor con válvulas rotas, válvula de expansión obstruida, filtro deshidratador saturado, y más. Todos estos problemas los debemos de conocer muy bien en la industria de la refrigeración, pero no se deben de descuidar las fallas de control y eléctricas, ya que cada día son más relevantes en estos sistemas de refrigeración.

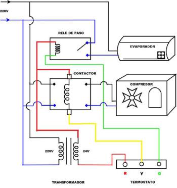
FIG. 1. Diagrama eléctrico de AC Carrier de 36,000 BTUs
Los técnicos, además de tener los conocimientos sobre los fundamentos de refrigeración, también debemos de saber leer un diagrama eléctrico o circuito de control, que hoy en día son de suma importancia en el funcionamiento de estos equipos. Estos diagramas usualmente son proporcionados por el fabricante (Ver Fig. 1), en estos se puede observar como se encuentra el cableado y que circuito se debe completar para que nuestro sistema funcione correctamente.

FIG. 2. Ejemplo de codificación en colores en un diagrama
Los diagramas se componen de símbolos y líneas, usualmente codificados con colores (Ver Fig. 2), que representan como está acomodado el cableado del equipo. Están diseñados para ser leídos fácilmente al momento de restablecer el sistema. En los dibujos o símbolos podemos encontrar la descripción de los capacitadores, el motor ventilador del condensador, el compresor y todos los elementos que integran el sistema de refrigeración (Ver Fig 3). Los técnicos deben de tener la habilidad de reconocer e identificar los componentes de la unidad y de esa forma analizar la secuencia de un arranque en la unidad o identificar una falla de control/eléctrica.

Fig. 3. Diagrama de cableado de Unidad al aire libre
¿Tienes alguna duda adicional que no hayamos resuelto en esta publicación? Si es así, por favor escríbela en los comentarios al final de esta publicación, o si lo prefieres, contáctanos en nuestras redes sociales: Facebook, Twitter, Google+ y YouTube.
En Quimobásicos nos interesa mucho tu opinión, ya que nos ayuda a brindarte un mejor servicio, por favor no dudes en hacernos saber cualquier comentario vía correo electrónico a asesor.quimobasicos@cydsa.com , también enviános criticas o sugerencia que tengas sobre este blog, nuestra empresa, o sobre los productos Genetron.
¿Sabías qué una mala instalación puede ser la culpable del bajo rendimiento de tu aire acondicionado? Ponte al día con nosotros.

¿Bajo rendimiento? La eficiencia energética de los equipos HVAC sufre debido a malas instalaciones.
La demanda cada vez mayor por aires acondicionados y bombas de calor eficientes apunta un recorte récord de aproximadamente 30% en el uso de energía residencial eléctrica utilizada para refrigeración y calefacción.
Lo que pocos saben es que estos beneficios que se buscan mediante una mejora en eficiencia energética de equipos de tecnología avanzada pueden ser nulos si el equipo no es instalado adecuadamente.
En un estudio del Instituto Nacional de Estándares y Tecnología (NIST, por sus siglas en inglés) esa fue la conclusión final. El reporte del estudio de NIST es el primero de su tipo enfocado en cuantificar perdidas de eficiencia causadas por errores de instalación documentados en estudios de campo.
“Nuestras medidas indican que una mala instalación puede aumentar el uso de energía en el hogar para refrigeración y calefacción a más del 30% de lo que debería de ser”, dijo Piotr Domanski, quien dirige el estudio del rendimiento en HVAC del NIST.

El Ingeniero Domanski, Hugh Henderson de CDH Energy Corp., y el ingeniero mecánico del NIST, Vance Payne realizaron su estudio de medición y modelado de información durante tres años de duración de acuerdo a las inspecciones y otras evidencias de campo que indicaban que, un equipo HVAC “típicamente instalado” podría desperdiciar una cantidad considerable de energía.
Los errores de instalación –o fallas- comúnmente reportados incluyen conductos con fugas, una incorrecta carga de refrigerante, sobredimensionamiento de los sistemas y un flujo de aire restringido.
En encuestas realizadas, la mayoría de los equipos para aire acondicionado evaluados que obtuvieron niveles de una baja eficiencia tenían por lo menos uno o más errores de instalación. “Fue muy común encontrar baja eficiencia en equipos de aire acondicionado, bombas de calor, y equipos relacionados”, explica el Ingeniero Domanski.
“En la mayoría de estudios no se contabilizó aumento de consumo energético como resultado de alguna falla particular o varias fallas, las cuales son difíciles de hacer en el campo”.
Bajo condiciones ambientales controladas, el equipo describió el rendimiento de una bomba de calor mientras operaba con alguno de los siete errores más comunes de instalación. Después de determinar qué tanto afectaba el consumo de energía cada error en el laboratorio, se investigó cómo los mismos errores puedan impactar el uso de energía en dos tipos de casas -uno con sótano, la otra construida sobre un bloque de concreto – y en cinco zonas climáticas diferentes. Esta parte del análisis fue conducido con una herramienta de simulación creada por CDH Energy Corp.
Los errores más comunes se concentraron en FUGAS EN DUCTOS DE AIRE, mientras que el segundo error más significante que causaba incrementos del uso de energía se dividió en CARGA BAJA DE REFRIGERANTE e INCORRECTO FLUJO DE AIRE en casa (debido a una mala instalación de ductos de aire).

Consulta tus dudas con los expertos de Quimobásicos al correo: asesor.quimobasicos@cydsa.com
Otros hallazgos del estudio fueron:
- En seis de las siete fallas estudiadas, los incrementos asociados en el consumo de energía son similares para las casas con cimientos sólidos y las que tienen sótano. Sin embargo los conductos de aire con fugas instalados en un espacio no acondicionado del ático pueden causar el mayor incremento en el consumo de energía en las casas con cimientos sólidos.
- En los climas cálidos y húmedos las fugas en conductos incrementan substancialmente la humedad interior relativa, lo que afecta el grado de confort y por ende la comodidad de las personas.
- Como consecuencia de lo anterior los ocupantes o usuarios por lo general le bajarán al termostato para compensar esto, lo que incrementa significativamente el consumo de energía. Con algunas excepciones, las fallas simultáneas tienen efectos aditivos en el consumo de energía.
Para Concluir: El correcto dimensionamiento, selección, e instalación de los equipos HVAC de acuerdo a los procedimientos reconocidos por la industria y siguiendo los manuales de los fabricantes de equipos es fundamental para garantizar la eficiencia energética (ahorro de energía).
El informe del NIST constituye la contribución de los Estados Unidos al recientemente finalizado Anexo 36 de Análisis de Sensibilidad del Mantenimiento de Calidad/Instalación de Calidad de la Agencia Internacional de Energía, y es el primero de su tipo en cuantificar los efectos de una instalación incorrecta.
El informe mencionado sirvió como base científica para establecer los requisitos del reglamento de capacitación para los instaladores de equipos de nuestro vecino país del norte.
Y tu amigo lector, ¿que opinas? esperamos tu contribución y opinión en las dos preguntas de la semana:
- ¿Estás de acuerdo con que las instalaciones defectuosas afectan la eficiencia?,
- ¿Te parece adecuado el nivel de profesionalización dentro del mundo HVACR?
Por favor déjanos tus comentarios al respecto en nuestro Facebook, Twitter o en la sección de comentarios de esta publicación.
