Recuperar el dinero
Debemos recordar que el servicio de los técnicos tiene muchas o varias actividades y una muy importante es cuando se realiza el servicio a un equipo donde se debe recuperar el refrigerante, recuerda que no se debe ventear el refrigerante a la atmósfera y se debe utilizar una herramienta llamada recuperadora de refrigerante.
Existe una gran variedad de equipos que nos pueden ayudar a hacer esta actividad y recuperar nuestro dinero, se le llama así porque podemos volver a re-utilizar el mismo refrigerante, todo va a depender del servicio que se va a realizar. Puede ser una reparación de fuga, cambio de aceite (terminó su tiempo de servicio), reparación de una fuga de refrigerante del sistema , entre otras condiciones anormales que se pueden presentar.
Hay varios métodos, desde los más prácticos para sistemas pequeños, hasta equipos de recuperado grandes para sistemas de 100 o más toneladas de refrigeración.
En algunos de estos sistemas (100 hasta 500 T/R o más) traen instalado su propio sistema de recuperado y tanques de almacén para evacuar el refrigerante.
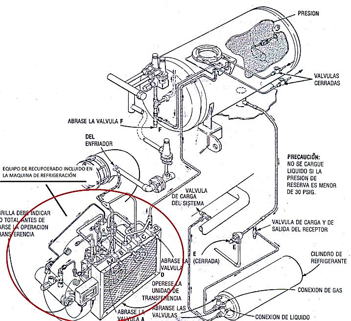
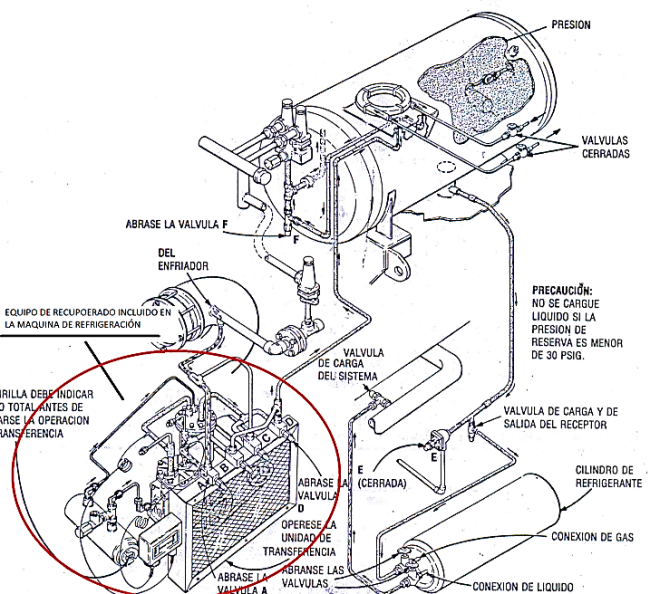
Sistemas grandes de refrigeración:
Estos sistemas contienen un tanque almacén de refrigerante y por medio de la recuperadora del sistema y del juego de válvulas se recupera el refrigerante.
Si el sistema trae tanque almacén, se debe instalar uno por fuera.
En ambos casos se debe hacer un vacío de 1,000 micrones a los tanques y recuperar el líquido del evaporador (del tipo inundado), pues se recupera el vapor de la máquina.
Pueden ser sistemas de 100 hasta 1000 T/R.
Para sistemas más compactos, se pueden utilizar máquinas recuperadoras más fáciles de manejar. Estos equipos nos permiten recuperar el refrigerante en varios métodos. A continuación mencionaremos algunos tips sobre esto, no sin antes no pasar por alto los lineamientos que cada fabricante de equipos nos indica en el manual de operación y para cada refrigerante:
Fase de líquido – vapor: Este método consiste en recuperar primero todo el líquido del sistema y después se debe recuperar el vapor. Recuerda que no se debe llenar el tanque de recuperado por arriba del 80% de la capacidad del tanque, te recomendamos utilizar una báscula para verificar.
Fase de vapor: Si el equipo no trae una válvula de lado de alta, sólo de lado de baja, este procedimiento nos puede ayudar. Se recomienda que el tanque esté con 500 micrones de vacío y dentro de un recipiente frió (con hielo) para que no se presurice el tanque y así poder realizar el recuperado.
Push pull: Este método es utilizado cuando se tienen equipos de gran tamaño, en los que la extracción del refrigerante puede involucrar un tiempo considerable por la cantidad contenida en el sistema.
En este método se recomienda utilizar una mirilla de líquido para la supervisión del líquido refrigerante que esté entrando hacia el tanque de recuperado.
En algunas aplicaciones muy pequeñas como el AC Automotriz, sólo es necesario hacer vacío al tanque de recuperado hasta 500 micrones, dejarlo en el recipiente frío, abrir la válvula del tanque, y el refrigerante saldrá hacia el lugar que tiene el vacío y donde está frío.
De esta manera podemos ayudar a nuestro ambiente y podemos recuperar nuestro dinero sin gastar más, el gasto se verá minimizada porque sólo se hará una recarga necesaria del refrigerante. Es importante que se lea cada manual del fabricante para identificar toda aquella información que nos pueda ayudar a hacer mejor nuestro trabajo.
Familiarizarse con el equipo de recuperación, leer el manual del fabricante y poner en aplicación todos los métodos prescritos y las instrucciones cada vez que se utilice el equipo, son las medidas principales para garantizar un proceso seguro de tratamiento del gas que será el adecuado.
Ahorra dinero con una buena inversión de tu herramienta, esta te dará más calidad en tus servicios, recuerda que las herramientas necesarias para estas actividades son los manómetros calibrados, la báscula, el termómetro, etc.
Más adelante hablaremos un poco del tipo de tanques de recuperado, sus partes, manejos y cuidados de estos recipientes.
https://www.facebook.com/Quimobasicos
Publicado el 15 de mayo de 2014 en Refrigerantes y etiquetado en aire acondicionado, genetron, Genetron refrigerantes, Quimobasicos refrigerantes, Quimobásicos, recuperar el refrigerante, refrigeración, refrigerante, refrigerantes, sistema de recuperado, sistema de refrigeración, ventear refrigerante. Guarda el enlace permanente. Deja un comentario.



Deja un comentario
Comments 0